小型屠宰場屠宰污水處理設備
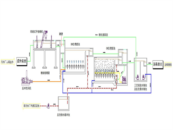
工藝原理MBBR。
通過向反應器中添加一定數量的懸浮載體,可以提高反應器中的生物量和類型,從而提高反應器的處理效率。由于填料密度接近水,曝氣時與水完全混合,微生物生長環境為氣、液、固三相。
水中的碰撞和剪切使空氣氣泡更小,增加了氧氣的利用率。此外,每個載體內外都有不同的生物種類,內部生長一些厭氧菌或兼氧菌,外部養殖良好,使每個載體都是一個微型反應器,使硝化反應和反硝化反應同時存在,從而提高處理效果。

采用世界先進的生物處理技術,集去除BOD5、COD、NH3-N于一體,是目前zui的污水處理設備。廣泛應用于食品加工廠、酒店、別墅、住宅小區的生活污水處理,取代了去除率低、處理后出水達不到國家綜合排放標準的化糞池。現場應用表明,一體化生化污水處理設備是一種處理效果理想、管理方便的設備。適用于賓館、飯店、療養院、食品加工廠、醫院;住宅小區、村莊、集鎮;車站機場、港口碼頭、船舶;工廠、礦山、旅游景點、景點;各種類似生活污水的工業有機廢水。可以滿足化工和高濃度污水處理設備的需求。

屠宰污水處理設備主要來自圍欄沖洗、淋洗、屠宰等廠房地板沖洗、燙毛、剖解、副食加工、洗油等工序產生的污水。1.1發病癥狀大豆立枯病只發生在苗期,幼苗及幼株主根及近地莖基部出現紅褐色略凹陷的病斑,皮層開裂呈潰瘍狀,病菌菌絲初無色,后逐漸變為褐色。病情嚴重時,外形矮小,生育遲緩,靠地莖赤褐色,皮層開裂,呈潰瘍狀。

水質特性
(1)屠宰污水一般為紅棕色,有難聞的腥味,含有大量的血液、油脂、頭發、肉屑、骨屑、內臟雜物、未消化的食物、糞便等污物,固體懸浮物含量高。
②屠宰污水中有機物含量高,可生化性好,其中高濃度有機物不易降解,處理困難。屠宰污水中的營養物質主要是氮和磷,其中氮主要以有機物或銨鹽的形式存在,磷主要以磷酸鹽的形式存在。